|
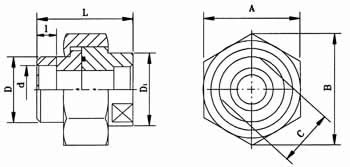
代號(訂貨號) |
管子外徑(D0) |
D+0.4 +0.2 |
D2 |
L1 |
L2 |
重量(kg) |
對應號 |
|
ZT6.5.37-1 |
18 |
18.5 |
27 |
13
|
26.5 |
0.17 |
H1.13-1 |
|
ZT6.5.37-2 |
22 |
22.5 |
33 |
29 |
0.27 |
H1.13-2 |
|
ZT6.5.37-3 |
28 |
28.5 |
39 |
16 |
35 |
0.41 |
H1.13-3 |
|
ZT6.5.37-4 |
34 |
34.5 |
47 |
17 |
39 |
0.68 |
H1.13-4 |
|
ZT6.5.37-5 |
42 |
42.5 |
57 |
18 |
45 |
1.12 |
H1.13-5 |
|
ZT6.5.37-6 |
48 |
48.5 |
63 |
20 |
52 |
1.26 |
H1.13-6 |
|
ZT6.5.37-7 |
60 |
61 |
76 |
23 |
61 |
1.80 |
H1.13-7 | |
標記示例:彎頭18 ZT6.5.37-1 ● 直通 |
|
|
|
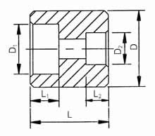
代號(訂貨號) |
管子外徑(D0) |
D |
D2 |
L1 |
L2 |
重量(kg) |
對應號 |
|
ZT6.5.38-1 |
18 |
18.5 |
32 |
32 |
12 |
0.12 |
H1.14-1 |
|
ZT6.5.48-2 |
22 |
22.5 |
35 |
36 |
13 |
0.19 |
H1.14-2 |
|
ZT6.5.48-3 |
28 |
28.5 |
40 |
42 |
16 |
0.35 |
H1.14-3 |
|
ZT6.5.38-4 |
34 |
34.5 |
48 |
46 |
17 |
0.41 |
H1.14-4 |
|
ZT6.5.38-5 |
42 |
42.5 |
60 |
48 |
18 |
0.61 |
H1.14-5 |
|
ZT6.5.38-6 |
48 |
48.5 |
65 |
54 |
20 |
0.72 |
H1.14-6 |
|
ZT6.5.38-7 |
60 |
61 |
80 |
62 |
23 |
1.38 |
H1.14-7 | |
| 標記示例:直通18 ZT6.5.38-1 |
| ● 變徑直通 |
|
|
|
代號(訂貨號) |
管子外徑(D0) |
D |
D1+0.4 +0.2 |
D2+0.4 +0.2 |
L |
L1 |
L2 |
重量(kg) |
對應號 |
|
ZT6.5.39-1 |
18×14 |
32 |
18.5 |
14.5 |
32 |
12 |
10 |
0.16 |
H1.15-1 |
|
ZT6.5.39-2 |
22×18 |
35 |
22.5 |
18.5
|
36 |
13 |
12
|
0.20 |
H1.15-2 |
|
ZT6.5.39-3 |
28×18 |
40
|
28.5
|
42
|
16
|
0.30 |
H1.15-3 |
|
ZT6.5.39-4 |
28×22 |
22.5
|
13
|
0.28 |
H1.15-4 |
|
ZT6.5.39-5 |
34×22 |
48
|
34.5
|
46
|
17
|
0.52 |
H1.15-5 |
|
ZT6.5.39-6 |
34×28 |
28.5
|
16
|
0.48 |
H1.15-6 |
|
ZT6.5.39-7 |
42×28 |
60
|
42.5
|
48
|
18
|
0.76 |
H1.15-7 |
|
ZT6.5.39-8 |
42×34 |
34.5
|
17
|
0.69 |
H1.15-8 |
|
ZT6.5.39-9 |
48×34 |
65
|
48.5
|
54
|
20
|
0.95 |
H1.15-9 |
|
ZT6.5.39-10 |
48×42 |
42.5
|
18
|
1.17 |
H1.15-10 |
|
ZT6.5.39-11 |
60×42 |
80 |
61 |
62 |
23 |
1.70 |
H1.15-11 | |
| 標記示例:變徑直通18×14 ZT6.5.39-1 |
| ● 變徑接頭 |
|
|
|
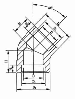
代號(訂貨號) |
D1±0.5 |
D2 |
L1 |
L2 |
L3 |
重量(kg) |
對應號 |
|
ZT6.5.41-1 |
22 |
18.5 |
13 |
17 |
34 |
0.07 |
H1.16-1 |
|
ZT6.5.41-2 |
28 |
9 |
25 |
0.08 |
H1.16-2 |
|
ZT6.5.41-3 |
34 |
0.15 |
H1.16-3 |
|
ZT6.5.41-4 |
42 |
11 |
26 |
0.25 |
H1.16-4 |
|
ZT6.5.41-5 |
48 |
12 |
13 |
29 |
0.41 |
H1.16-5 |
|
ZT6.5.41-6 |
28 |
22.5 |
13 |
20 |
38 |
0.13 |
H1.16-6 |
|
ZT6.5.41-7 |
34 |
9 |
25 |
|
H1.16-7 |
|
ZT6.5.41-8 |
42 |
26 |
0.23 |
H1.16-8 |
|
ZT6.5.41-9 |
48 |
14 |
11 |
29 |
0.31 |
H1.16-9 |
|
ZT6.5.41-10 |
34 |
28.5 |
16 |
19 |
42 |
0.30 |
H1.16-10 |
|
ZT6.5.41-11 |
42 |
12 |
48 |
.034 |
H1.16-11 |
|
ZT6.5.41-12 |
48 |
10 |
29 |
0.36 |
H1.16-12 |
|
ZT6.5.41-13 |
42 |
34.5 |
17 |
0.25 |
|
|
ZT6.5.41-14 |
48 |
13 |
35 |
0.38 |
|
ZT6.5.41-15 |
60 |
0.59 |
|
ZT6.5.41-16 |
48 |
42.5 |
18 |
0.33 |
|
ZT6.5.41-17 |
60 |
0.51 |
|
ZT6.5.41-18 |
48.5 |
20 |
17 |
42 |
0.61 |
|
ZT6.5.41-19 |
18.5 |
12 |
12 |
35 |
0.83 |
|
ZT6.5.41-20 |
28.5 |
16 |
7 |
0.61 | |
| 標準示例:變徑直通22×18 ZT6.5.41-1 |